- Front Ferrule
- Back Ferrule
- Tube End Closure
- Fitting End Closure
- Union
- Reducing Union
- Bulkhead Union
- Bulkhead Reducing Union
- Union Elbow
- Bulkhead Elbow
- Union Tee
- Reducing Union Tee
- Union Cross
- Male Connector
- Bulkhead Male Connector
- Male Elbow
- 45 Degree Male Elbow
- 45 Degree Positionable Male Elbow
- Positionable Male Elbow
- Male Run Tee
- Male Branch Tee
- Positionable Male Run Tee
- Female Connector
- Bulkhead Female Connector
- Female Elbow
- Female Run Tee
- Female Branch Tee
Reducing Union Tee
Reducing Union Tee Tube Fittings Supplier, Reducing Union Tee Compression Tube Fittings Exporter, Reducing Union Tee Instrumentation Pipe Fittings Stockists in Mumbai, India
Stainless Steel Reducing Union Tee Tube Fittings, Alloy Steel Reducing Union Tee Tube Fittings, Carbon Steel Reducing Union Tee Tube Fittings, Nickel Alloy Reducing Union Tee Pipe Fittings Trader
Numax Steels is the renowned supplier and exporter of quality Reducing Union Tee Fittings that featuring superior annealed finish. These ferrule fittings can be made available in metric as well as with maximum operating pressure of 12,000 psig.
Some of the features of Reducing Union Tee Tube Fittings include suitability for use in temperatures from -325° F to 1200° F. It available in various material options of stainless steel, carbon steel, alloy 20 and others; suitable for applications in chemical, petrochemical, food, pharmaceutical industries offering reliable and leak-proof connection.
If you looking for a right supplier, then you come to the right place. We supply all pipe fittings products with accurate dimensions and sizes. Please call us for a free quote.
Monel Reducing Union Tee Ferrule Fittings, Hastelloy Reducing Union Tee Tube Fittings, Inconel Reducing Union Tee Tube Fittings, Aluminum Reducing Union Tee Ferrule Fittings Dealer in India


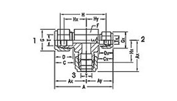
T Tube OD | Tx Tube OD | A | Ax | Ay | C | Cx | D | Dx | E min. | F A/F | G A/F | G x A/F | H | Hx | Hy |
3/8 | 1/4 | 61.0 | 30.5 | 29.0 | 19.3 | 17.8 | 16.8 | 15.3 | 4.8 | 16 | 17 | 14 | 46.2 | 23.1 | 21.6 |
1/2 | 1/4 | 72.2 | 36.0 | 31.8 | 21.8 | 17.8 | 22.9 | 15.3 | 4.8 | 22 | 22 | 14 | 51.8 | 25.9 | 24.4 |
1/2 | 3/8 | 72.2 | 36.0 | 33.3 | 21.8 | 19.3 | 22.9 | 16.8 | 7.1 | 22 | 22 | 17 | 51.8 | 25.9 | 25.9 |
3/4 | 3/8 | 79.8 | 39.9 | 37.0 | 21.8 | 19.3 | 24.4 | 16.8 | 7.1 | 27 | 28.5 | 17 | 59.4 | 29.7 | 29.7 |
3/4 | 1/2 | 79.8 | 39.9 | 39.9 | 21.8 | 21.8 | 24.4 | 22.9 | 10.4 | 27 | 28.5 | 22 | 59.4 | 29.7 | 29.7 |
1 | 3/8 | 98.0 | 49.0 | 41.9 | 26.4 | 19.3 | 31.2 | 16.8 | 7.1 | 35 | 38 | 17 | 73.6 | 36.8 | 34.5 |
1 | 1/2 | 98.0 | 49.0 | 44.7 | 26.4 | 22.9 | 31.2 | 21.8 | 10.4 | 35 | 38 | 22 | 73.6 | 36.8 | 34.5 |
1 | 3/4 | 98.0 | 49.0 | 44.7 | 26.4 | 24.4 | 31.2 | 24.4 | 15.8 | 35 | 38 | 28.5 | 73.6 | 36.8 | 34.5 |
1.1/4 | 1 | 135.6 | 67.8 | 55.1 | 38.9 | 26.4 | 41.2 | 31.2 | 22.3 | 46 | 50 | 38 | 91.4 | 45.7 | 42.9 |
1.1/2 | 1 | 157.5 | 78.7 | 60.0 | 44.7 | 26.4 | 50.0 | 31.2 | 22.3 | 55 | 57 | 38 | 103.2 | 51.6 | 47.8 |
T Tube OD | Tx Tube OD | A | Ax | Ay | C | Cx | D | Dx | E min. | F A/F | G A/F | G x A/F | H | Hx | Hy |
3/8 | 1/4 | 59.4 | 30.5 | 29.0 | 19.3 | 17.8 | 16.8 | 15.3 | 4.8 | 16 | 17 | 14 | 44.7 | 23.1 | 21.6 |
1/2 | 1/4 | 67.7 | 36.0 | 31.7 | 21.8 | 17.8 | 22.9 | 15.3 | 4.8 | 22 | 22 | 14 | 50.2 | 25.9 | 24.4 |
1/2 | 3/8 | 69.3 | 36.0 | 33.3 | 21.8 | 19.3 | 22.9 | 16.8 | 7.1 | 22 | 22 | 17 | 51.8 | 25.9 | 25.9 |
3/4 | 3/8 | 77.0 | 39.9 | 37.1 | 21.8 | 19.3 | 24.4 | 16.8 | 7.1 | 27 | 28.5 | 17 | 59.4 | 29.7 | 29.7 |
3/4 | 1/2 | 79.8 | 39.9 | 39.9 | 21.8 | 21.8 | 24.4 | 22.9 | 10.4 | 27 | 28.5 | 22 | 59.4 | 29.7 | 29.7 |
1 | 3/8 | 98.9 | 49.0 | 41.9 | 26.4 | 19.3 | 31.2 | 16.8 | 7.1 | 35 | 38 | 17 | 71.3 | 36.8 | 34.5 |
1 | 1/2 | 93.7 | 49.0 | 44.7 | 26.4 | 21.8 | 31.2 | 21.8 | 10.4 | 35 | 38 | 22 | 71.3 | 36.8 | 34.5 |
1 | 3/4 | 93.7 | 49.0 | 44.7 | 26.4 | 21.8 | 31.2 | 24.4 | 15.8 | 35 | 38 | 28.5 | 71.3 | 36.8 | 34.5 |
1.1/4 | 1 | 119.6 | 67.8 | 53.0 | 38.9 | 26.4 | 41.2 | 31.2 | 18.2 | 46 | 50 | 38 | 85.3 | 45.7 | 40.8 |
1.1/2 | 1 | 150.9 | 78.7 | 72.9 | 45.2 | 38.9 | 50.0 | 41.3 | 27.6 | 55 | 57 | 38 | 101.6 | 50.8 | 50.8 |
T Tube OD | Tx Tube OD | A | Ax | Ay | C | Cx | D | Dx | E min. | F A/F | G A/F | G x A/F | H | Hx | Hy |
3/8 | 1/4 | 59.4 | 30.6 | 29.0 | 19.3 | 17.8 | 16.8 | 15.3 | 4.8 | 16 | 17 | 14 | 44.8 | 23.2 | 21.6 |
1/2 | 1/4 | 67.7 | 36.0 | 31.7 | 21.8 | 17.8 | 22.9 | 15.3 | 4.8 | 22 | 22 | 14 | 50.2 | 25.9 | 24.3 |
1/2 | 3/8 | 69.3 | 36.0 | 33.2 | 21.8 | 19.3 | 22.9 | 16.8 | 7.1 | 22 | 22 | 17 | 51.8 | 25.9 | 25.9 |
3/4 | 3/8 | 77.0 | 38.9 | 37.0 | 21.8 | 19.3 | 24.4 | 16.8 | 7.1 | 27 | 28.5 | 17 | 59.4 | 29.7 | 29.7 |
3/4 | 1/2 | 79.8 | 39.9 | 39.9 | 21.8 | 21.8 | 24.4 | 22.9 | 10.4 | 27 | 28.5 | 22 | 59.4 | 29.7 | 29.7 |
1 | 3/8 | 99.9 | 39.9 | 41.9 | 26.4 | 19.3 | 31.2 | 16.8 | 7.1 | 35 | 38 | 17 | 71.3 | 36.8 | 34.5 |
1 | 1/2 | 93.7 | 49.0 | 44.7 | 26.4 | 22.9 | 31.2 | 21.8 | 10.4 | 35 | 38 | 22 | 71.3 | 36.8 | 34.5 |
1 | 3/4 | 93.7 | 49.0 | 44.7 | 26.4 | 24.4 | 31.2 | 24.4 | 15.8 | 35 | 38 | 28.5 | 71.3 | 36.8 | 34.5 |
1.1/4 | 1 | 122.9 | 67.8 | 55.1 | 38.9 | 26.4 | 41.2 | 31.2 | 22.3 | 46 | 50 | 38 | 88.6 | 45.7 | 42.9 |
1.1/2 | 1 | 138.7 | 78.7 | 60.0 | 44.7 | 26.4 | 50.0 | 31.2 | 22.3 | 55 | 57 | 38 | 99.4 | 51.6 | 47.8 |
Price List of Reducing Union Tee
Numax Steels is one of the most competitive suppliers of pipes and tubes from India. Our prices for Reducing Union Tee are very competitive. Please click on the enquiry button or click here to request the updated price list and ready stock information along with your requirement. Numax Steels maintains a stock of all standard items and can export them at the best price for Reducing Union Tee.
We Export To
Algiers, Port Elizabeth, Indonesia, Zaria, Maiduguri, Angola, Ethiopa, Mbuji-Mayi, Abu Dhabi, Mexico, Jordan, Cyprus, Ouagadougou, Cape Town, Sudan, Kolwezi, Yemen, Russia, Kuwait, UAE, Benin, Casablanca, United States, Oman, Venezuela, Uganda, Vietnam, Dar es Salaam, Khartoum, Giza, Iran, Maputo, Kampala, Cairo, Nigeria, Alexandria, Omdurman, Canada, Cameroon, Israel, South Africa, Accra, Iraq, Yaoundé, Brazzaville, Qatar, Lubumbashi, Kano, Johannesburg, Saudi Arabia, London, Thailand (Bangkok), Houston, Italy, Algeria, Tripoli, New York, Tunisia, Soweto, Morocco, Lebanon, Bamako, Malaysia, Durban, New Zealand, Addis Ababa, Port Harcourt, Azerbaijan, Ghana, Antananarivo, Africa, Bulawayo, Bahrain, Kazakhstan, Conakry, Nairobi, Kaduna, Rabat, Trinidad and Tobago, Dubai, Kinshasa, Hong Kong, Luanda, Turkey, Lagos, Ibadan, Mogadishu, Dakar, Chine, UK, Peru, Fez, Australia, Subra al-Haymah, Brazil, Pretoria, Singapore, Colombia, Egypt, Germany, Democratic Republic of the Congo, Colombo, Sri Lanka, Abidjan, Harare, Argentina, Mozambique, Freetown, Douala.We Supply To
Jordan, Bundi, Suryapet, India, Tripoli, Luanda, Kaduna, Democratic Republic of the Congo, Ballia, Puducherry, Baraut, Soweto, Algeria, Harare, Udgir, Omdurman, Chennai, Venezuela, Pretoria, Betul, Maiduguri, Lebanon, Pune, Yaoundé, Port Harcourt, Casablanca, Mumbai, Mogadishu, Morocco, Giza, Russia, Ghana, Mbuji-Mayi, Surat, Cameroon, Jaipur, Miryalaguda, Ouagadougou, Abu Dhabi, Andhra Pradesh, Antananarivo, Bansberia, Muktsar, Addis Ababa, Bangalore, Johannesburg, Buxar, Nagapattinam, Khartoum, Lucknow, Kano, Dakar, Cape Town, Fez, Benin, Hyderabad, Alexandria, Freetown, Ambala, Cairo, Kampala, Accra, Douala, Delhi, Uganda, Singapore, Mizoram, Lagos, Tadepalligudem, Manipur, Subra al-Haymah, Rabat, Tripura, Yemen, Maputo, Kolkata, Cyprus, Benin, Conakry, Dar es Salaam, Sadar, Brazzaville, Jamalpur, Angola, Port Elizabeth, Ethiopa, Algiers, Karnataka, Qatar, Mozambique, Bamako, Nairobi, Hong Kong, Kerala, Ibadan, Bulawayo, Thailand (Bangkok), Colombo, Maharashtra, Durban, Bhiwadi, Ahmedabad, New York, Lubumbashi, Kolwezi, Abidjan, Oman, Kinshasa, Zaria.